产品系列
PRODUCT CATEGORISE搪玻璃温度计套管
产品信息
公司主要生产的搪玻璃设备有:搪玻璃新型片式冷凝器、搪玻璃管道、搪瓷碟片式冷凝器、搪瓷管道、搪瓷塔节、列管式冷凝器、螺旋板式换热器、钢衬四氟管道、搪瓷测温阀、搪玻璃设备、搪瓷设备、非标搅拌及各种非标设备等。敬请广大新老客户光临洽谈,并向多年关心我公司的新老客户致谢!
- 产品详情


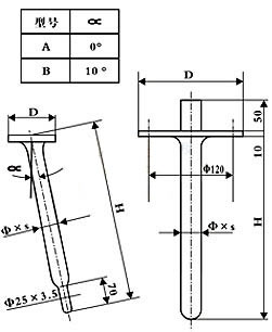
普通温度计套管尺寸表 mm
规格L | 79标准 | 69标准 | |||||
φ×S | D | H | 型号 | φ×S | D | H | |
50 | 32×4 | 110 | 430 | B | 33×3 | 150 | 350 |
100 | 32×4 | 110 | 550 | B | 33×3 | 150 | 450 |
200 | 32×4 | 110 | 680 | B | 33×3 | 150 | 590 |
300 | 32×4 | 110 | 750 | B | 33×3 | 150 | 650 |
500 | 32×4 50×4.5 | 110 | 770 | A | 33×3 | 150 | 710 |
128 | 770 | ||||||
1000 | 65×5 | 148 | 850 | A | 33×3 | 150 | 950 |
1500 | 65×5 | 148 | 1000 | A | 44.5×4 | 150 | 1150 |
2000 | 65×5 | 148 | 1250 | A | 44.5×4 | 150 | 1150 |
1200 | |||||||
3000 | 65×5 | 148 | 1450 | A | 44.5×4 | 150 | 1500 |
1250 | |||||||
5000 | 65×5 | 148 | 1750 | A | 44.5×4 | 150 | 1760 |
50×6 | 1800 | ||||||

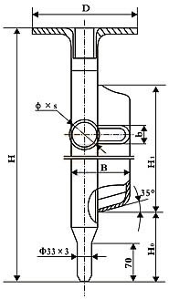
翘片式温度计套管尺寸表 mm
规格L | φ×S | H | H0 | H1 | D | B | b |
6300 | 80×6 | 2700 | 150 | 2060 | 258 | 30 | 160 |
8000 | 80×6 | 2700 | 150 | 2000 | 258 | 30 | 160 |
10000 | 95×8 | 2800 | 170 | 2050 | 258 | 30 | 175 |
12500 | 95×8 | 3400 | 170 | 2650 | 258 | 30 | 175 |
16000 | 95×8 | 3600 | 170 | 2810 | 258 | 30 | 175 |
20000 | 95×8 | 3800 | 170 | 2970 | 258 | 30 | 175 |












